真圆度的测量
对指定“圆度”的真圆度进行测量。测量轴、孔、圆锥等圆形截面的圆度,标示应该呈现何等正确的圆形。
图纸示例

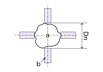
利用千分尺测量

- a
- 目标物
- b
- 千分尺测量端子
对外形进行4至8等分后,测量2点间距,确认最大值与最小值,并将两值之差除以2,就能计算出真圆度。
测量只需千分尺,能够在各种环境下轻松测量。
- 真圆度=(Dmax−Dmin)/2
- Dmax:最大值
- Dmin:最小值
问题点
使用2点间距测量的平均值,精度有限。千分尺测量端子接触方式的区别也可能会导致误差。此外,在分析测得的数据时,还必须进行将数据录入计算机等操作。
利用三坐标测量仪测量

- a
- 目标物
- b
- 平板
用探针抵住4处以上的点位进行点测量,就能测得真圆度。
测量值是利用最小二乘法计算得出的,与各个测量点之间的误差之和最小。
- 测量画面
-

- a
- 真圆度的测量结果



