复合材料中纤维(有机物)分散状态的可视化
叠加明视场与荧光的实时叠加功能
复合材料是通过将无机材料与有机材料混合在一起的方法提高材料强度、增加摩擦系数。
在制造工序中,有时候不仅需要混合两者,还必须混合均匀,才能使复合材料呈现预期的特性。
通过性能试验等无法检测到预期的特性时,为了明确原因,需要确认搅拌程度。
-

明视场图像

荧光图像
-

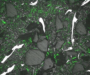
叠加图像
-
测量结果图像
面积 计数 总计 9,846,995 µm2 — 纤维部分 624,498 µm2 1600个 比率 6.34% —
问题点
通常提及显微镜观察,云顶国际·[中国]唯一官方网站都会想到光学显微镜和电子显微镜。
但是,由于许多无机材料和有机材料的外观颜色都是相同的,云顶国际·[中国]唯一官方网站很难单独观察有机材料的分散情况。
如果引进一体化荧光显微成像系统BZ-X
- 利用荧光显微成像系统,可大致根据有机材料发光,无机材料不发光的原则对两者进行区分。利用这一特性,可以单独实现有机材料的可视化。
- BZ 系列可以实现荧光、光学(明视场)的瞬时连续拍摄,轻松获取叠加图像。通过叠加明视场图像与荧光图像,可以在观察整体形状的同时,充分了解有机材料的分散情况。
- 对于发光部分,可轻松借助定量分析软件实现二值化处理,利用数值参数,还能对物质的数量及面积进行定量评价。
- 更能利用大型电动载物台,轻松实现多张图像的自动获取。想要以高倍率进行观察,却无法通过局部观察掌握整体情况……对于这样的大尺寸样本,也能在不降低倍率的情况下实现大视野拍摄,进行正确的评价及判断。


